





【產品類別】:金屬粉末振動篩
【產品簡述】:金屬粉末分級設備--金屬粉末振動篩 金屬粉末是指尺寸小于1mm的金屬顆粒群。包括單一金屬粉末、合金粉末以及具有金屬性質的粉末,是粉末冶金的主要原材料。金屬粉末習慣上分為粗粉、中等粉、細粉、微細粉和超細粉五個等級,如何檢測金屬粉末的粒度大小的呢...
【產品賣點】:金屬粉末旋振篩采用彈跳球清網、性價比高、裝配方便,可單雙多層使用。
【優惠活動】:源頭廠家生產直銷 一臺也批發 買設備送密封圈
24小時熱線:13937345447
聯系電話: 0373-3516365-801、802
圖文傳真: 0373-3519169
商 務QQ:313162218
孟 經 理:13937345447
郭 經 理:13837347077
E-mail: xxzdsb@sina.com
網 址:http://www.zthdb.com
金屬粉末分級設備--金屬粉末振動篩
金屬粉末是指尺寸小于1mm的金屬顆粒群。包括單一金屬粉末、合金粉末以及具有金屬性質的粉末,是粉末冶金的主要原材料。金屬粉末習慣上分為粗粉、中等粉、細粉、微細粉和超細粉五個等級,如何檢測金屬粉末的粒度大小的呢?接下來法斯特機械的編輯向您分享金屬粉末分級設備--金屬粉末振動篩
金屬粉末振動篩概述
金屬粉末振動篩是一種高精度篩分設備,可以單層粉末除雜、也可多層粒度分級、也可固液分離過濾使用,適用于粒、粉、液體等物料的篩分和過濾,是一機多用的通用篩選設備。
金屬粉末振動篩采用一臺立式振動電機作為動力源,使篩面的物料受到三維動力,網架配有清網裝置,從而使篩分速度快產量高、篩分精度高。
金屬粉末振動篩工作原理
旋振篩結構原理圖
金屬粉末振動篩的動力源是振動電機,振動電機轉軸上下端安裝有偏心重錘(不平衡重錘),通過振動電機的旋轉運動在不平衡重錘作用下轉變為水平、垂直、傾斜的三維運動即三次元運動,旋振篩利用振動電機三維運動,通過旋振篩的彈簧和振動體把三維運動傳遞給振動篩網面。通過改變振動電機上下重錘的相位角來實現物料在篩面上的運動軌跡,以此達到篩分、去雜、過濾的目的。
振動電機相位角與物料運動軌跡關系圖
金屬粉末振動篩工作特點
* 篩分精度高,效率高,任何粉、粒、粘液類皆可適用。
* 部件無死角,易徹底清洗消毒。
* 新型網架結構,篩網使用壽命長久,換網只需3-5分鐘。
* 可單層、多層篩網使用。
* 體積小不占空間,移動方便,出口可以360度任意調整。
* 與物料接觸部分全部采用不銹鋼制作。
* 物料自動排出,可連續作業。
* 全密閉設計,塵不飛揚,液不泄露。
* 配有清網裝置,網空不堵塞,篩分可至500目,過濾可達5μm。
粉末振動篩材質、層數示意圖
金屬粉末振動篩技術配置表
| 型 號 | 功 率(KW) | 篩面直徑 | 體 積 | 網層數 | |
| 1S | 0.18 | Φ320mm | 580×580×560 | 1 | |
| FAST-400- | 2S | 580×580×660 | 2 | ||
| 3S | 580×580×760 | 3 | |||
| 1S | 0.55 | Φ550mm | 800×800×680 | 1 | |
| FAST-600- | 2S | 800×800×780 | 2 | ||
| 3S | 800×800×880 | 3 | |||
| 1S | 0.75 | Φ750mm | 900×900×780 | 1 | |
| FAST-800- | 2S | 900×900×930 | 2 | ||
| 3S | 900×900×1080 | 3 | |||
| 1S | 1.47 | Φ950mm | 1160×1160×880 | 1 | |
| FAST-1000- | 2S | 1160×1160×1030 | 2 | ||
| 3S | 1160×1160×1180 | 3 | |||
| 1S | 1.84 | Φ1150mm | 1360×1360×980 | 1 | |
| FAST-1200- | 2S | 1360×1360×1160 | 2 | ||
| 3S | 1360×1360×1360 | 3 | |||
| 1S | 2.2 | Φ1450mm | 1850×1850×1130 | 1 | |
| FAST-1500- | 2S | 1850×1850×1330 | 2 | ||
| 3S | 1850×1850×1550 | 3 | |||
| 1S | 3 | Φ1750mm | 2200×2200×1360 | 1 | |
| FAST-1800- | 2S | 2200×2200×1460 | 2 | ||
| 3S | 2200×2200×1680 | 3 | |||
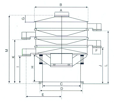
標準金屬粉末振動篩尺寸表:
金屬粉末振動篩型號較多,在工業流水線生產中運用的非常的廣泛,法斯特機械經過長期跟蹤了解客戶的需求,設計出滿足不同客戶篩分需求的金屬粉末振動篩。另外我公司可根據客戶需求定制各種尺寸規格金屬粉末振動篩,比如振動篩的高度。進、出料口大小和形式等。
型 號 | A | B | C | D | E | F | G | H | I | J | K | L | L | M |
FAST-400-1S | Φ150 | Φ400 | Φ358 | Φ408 | 310 | Φ100 | 75 | 249 | 257 | 367 | 558 | |||
FAST-400-2S | Φ150 | Φ400 | Φ358 | Φ408 | 310 | Φ100 | 75 | 249 | 257 | 367 | 477 | 668 | ||
FAST-600-1S | Φ150 | Φ600 | Φ426 | Φ476 | 410 | Φ100 | 75 | 354 | 362 | 472 | 668 | |||
FAST-600-2S | Φ150 | Φ600 | Φ426 | Φ476 | 410 | Φ100 | 75 | 354 | 362 | 472 | 582 | 778 | ||
FAST-600-3S | Φ150 | Φ600 | Φ426 | Φ476 | 410 | Φ100 | 75 | 354 | 362 | 472 | 582 | 692 | 692 | 886 |
FAST-800-1S | Φ200 | Φ800 | Φ580 | Φ630 | 530 | Φ125 | 100 | 404 | 412 | 557 | 798 | |||
FAST-800-2S | Φ200 | Φ800 | Φ580 | Φ630 | 530 | Φ125 | 100 | 404 | 412 | 557 | 702 | 943 | ||
FAST-800-3S | Φ200 | Φ800 | Φ580 | Φ630 | 530 | Φ125 | 100 | 404 | 412 | 557 | 702 | 847 | 847 | 1088 |
FAST-1000-1S | Φ250 | Φ970 | Φ700 | Φ750 | 640 | Φ150 | 120 | 466 | 475 | 620 | 880 | |||
FAST-1000-2S | Φ250 | Φ970 | Φ700 | Φ750 | 640 | Φ150 | 120 | 466 | 475 | 620 | 765 | 1025 | ||
FAST-1000-3S | Φ250 | Φ970 | Φ700 | Φ750 | 640 | Φ150 | 120 | 466 | 475 | 620 | 765 | 910 | 910 | 1170 |
FAST-1200-1S | Φ250 | Φ1170 | Φ855 | Φ920 | 750 | Φ180 | 140 | 570 | 595 | 760 | 1045 | |||
FAST-1200-2S | Φ250 | Φ1170 | Φ855 | Φ920 | 750 | Φ180 | 140 | 570 | 595 | 760 | 925 | 1210 | ||
FAST-1200-3S | Φ250 | Φ1170 | Φ855 | Φ920 | 750 | Φ180 | 140 | 570 | 595 | 760 | 925 | 1090 | 1090 | 1375 |
FAST-1500-1S | Φ250 | Φ1470 | Φ1050 | Φ1120 | 960 | Φ200 | 170 | 530 | 555 | 750 | 1090 | |||
FAST-1500-2S | Φ250 | Φ1470 | Φ1050 | Φ1120 | 960 | Φ200 | 170 | 530 | 555 | 750 | 945 | 1285 | ||
FAST-1500-3S | Φ250 | Φ1470 | Φ1050 | Φ1120 | 960 | Φ200 | 170 | 530 | 555 | 750 | 945 | 1140 | 1140 | 1480 |
FAST-1800-1S | Φ300 | Φ1770 | Φ1360 | Φ1430 | 1030 | Φ200 | 200 | 618 | 640 | 835 | 1226 | |||
FAST-1800-2S | Φ300 | Φ1770 | Φ1360 | Φ1430 | 1030 | Φ200 | 200 | 618 | 640 | 835 | 1030 | 1420 | ||
FAST-1800-3S | Φ300 | Φ1770 | Φ1360 | Φ1430 | 1030 | Φ200 | 200 | 618 | 640 | 835 | 1030 | 1225 | 1225 | 1615 |
金屬粉末振動篩標準機型篩分面積對照表
型 號 | 有效直徑 | 有效面積 | FAST-450 | FAST-400 | FAST-600 | FAST-800 | FAST-1000 | FAST-1200 | FAST-1500 | FAST-1800 |
FAST-200 | 200 | 0.0573 | 0.41 | 0.71 | 0.27 | 0.14 | 0.09 | 0.06 | 0.04 | 0.03 |
FAST-450 | 420 | 0.1385 | 1 | 1.72 | 0.65 | 0.34 | 0.22 | 0.15 | 0.09 | 0.06 |
FAST-400 | 320 | 0.0804 | 0.58 | 1 | 0.37 | 0.20 | 0.13 | 0.09 | 0.05 | 0.04 |
FAST-600 | 520 | 0.2124 | 3.7 | 1.53 | 1 | 0.52 | 0.34 | 0.23 | 0.14 | 0.09 |
FAST-800 | 720 | 0.4072 | 2.94 | 5.80 | 1.92 | 1 | 0.65 | 0.44 | 0.27 | 0.18 |
FAST-1000 | 890 | 0.6221 | 4.49 | 7.74 | 2.93 | 1.53 | 1 | 0.66 | 0.41 | 0.28 |
FAST-1200 | 1090 | 0.9331 | 6.74 | 11.60 | 4.40 | 2.92 | 1.50 | 1 | 0.61 | 0.41 |
FAST-1500 | 1390 | 1.5175 | 10.96 | 18.87 | 7.14 | 3.73 | 2.44 | 1.63 | 1 | 0.68 |
FAST-1800 | 1690 | 2.2432 | 16.20 | 27.90 | 10.56 | 5.51 | 3.61 | 2.40 | 1.48 | 1 |
標準型號旋振篩現貨供應 、物美價廉、睿智選擇,超市價格廠家直銷,誠征全國各地地市代理商、配套商。
法斯特機械售后服務
1、保修期內非因操作不當造成需要更換的零配件及設備由我廠負責包修、包換。
2、質量保證期結束后,我廠將繼續免費提供售后服務,不限年份終身服務,僅收取零部件成本費。
我公司擁有雄厚的研發能力,我們擁有專業的售后服務團隊,24小時響應。選擇法斯特機械,是您生產飛速發展的有力保障。
法斯特旋振篩加工實力



致力于解決篩分、輸送、壓榨、過濾等技術領域難題
24小時咨詢服務熱線:13937345447 13603736976 孟廣臣 13837347077 郭麗麗
聯系電話:0373-3516365(總機)-801、802、803 3519169 圖文傳真:0373-3519169 3516366
網 址:http://www.zthdb.com http://www.zthdb.com.cn
振動篩規模制造商 外貿振動篩代工基地 振動篩批發制造中心 壓榨脫水機典范制造企業
旋振篩、圓形振動篩、篩粉機、壓榨機、過濾機、輸送機、提升機一條龍生產廠家
打造無塵篩選、輸送提升行業精品裝備 服務現代工業經濟 ——河南省新鄉市法斯特機械有限公司