
【產品類別】:提升輸送機
【產品簡述】: 新鄉法斯特機械制造螺旋垂直輸送機,精工制造、交貨工期快、質量之選、價格之選、睿智之選。 占地面積小、輸送高度不易過高時使用的振動垂...
【產品賣點】:
【優惠活動】:按需定制 工期快 好用不貴
24小時熱線:13937345447
聯系電話: 0373-3516365-801、802
圖文傳真: 0373-3519169
商 務QQ:313162218
孟 經 理:13937345447
郭 經 理:13837347077
E-mail: xxzdsb@sina.com
網 址:http://www.zthdb.com
新鄉法斯特機械制造螺旋垂直輸送機,精工制造、交貨工期快、質量之選、價格之選、睿智之選。
占地面積小、輸送高度不易過高時使用的振動垂直提升機。
FCS系列電機振動垂直提升機用途和特點:
本機對一切顆粒狀、塊狀、粉狀的固體物料(粘度不大)都可以輸送。因此可廣泛用于軍工、機械、化工、冶金、礦山、橡膠、塑料、輕工、制藥、食品加工、糧食、農牧等行業作為散狀粉末、顆粒物料的提升設備。
本機設計結構簡單、便于安裝和使用維護、能源消耗小、占地面積少,節省投資。
本機具有從下向上和從上向下輸送物料的功能。按不同的生產工藝要求制成開式或封閉式結構。封閉式輸送能防止有害氣體和粉塵溢散。根據用戶需要,改變本機結構,可以在輸送物料的同時,完成諸如冷卻、干燥、篩分等工藝過程。
垂直提升機工作原理:
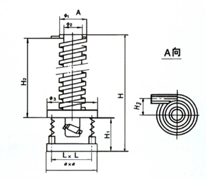
垂直提升機的驅動裝置振動電機安裝在輸送塔下部,兩臺振動電機對稱交叉安裝,輸送塔由管體和焊接在管體周圍的螺旋輸送槽組成,輸送塔座于減振裝置上,減振裝置由底座和隔振彈簧組成。當垂直提升機工作時,根據雙振動電機自同步原理,由振動電機產生激振力,強迫整個輸送塔體作水平圓運動和向上垂直運動的空間復合振動,螺旋槽內的物料則受輸送槽的作用,作勻速拋擲圓運動,沿輸送槽體向上運動,從而完成物料的向上(或向下)輸送作業,因此本設備也被成為振動垂直輸送機。
振動垂直提升機是一種新型的垂直輸送設備(提升設備),它對一切顆粒狀、塊狀、粉狀的固體物料(粘度不大)都可以輸送提升。廣泛適用于冶金、煤炭、建材、糧食、醫藥、食品、化工、工程塑料等行業中粉狀、顆粒狀物料的垂直提升作業,也可對物料進行干燥、冷卻作業。振動垂直提升機分為開槽式、封閉式兩種結構,并可根據不同的工藝要求,配套振動篩對物料顆粒進行篩分,以及設計易燃易爆物料的提升機設備。
振動垂直提升機基本型為敞開輸送槽結構,用于一般物料無特殊要求的向上(或向下)輸送作業。封閉型為封閉輸送槽結構,用于對物料有防塵要求的場合向上(或向下)輸送作業。本系列振動垂直提升機可以用于物料的降溫作業,降溫方式為風冷或水冷,如塑料顆粒生產線所使用的就是水冷降溫垂直提升機。
振動垂直提升機主要特點:
1、產品占地面積小,便于工藝布置設計。
2、物料可向上輸送,亦可向下輸送。
3、噪音低、結構簡單、安裝、維修便利。
4、結構簡單合理、能耗小、節約電能、料槽磨損小。

| FCS-1250 | FCS-2000 | FCS-3500 | FCS-4500 | FCS-6000 |
輸送量(T/H) | 0.3 | 0.6 | 3 | 4 | 2 |
輸送高度(mn) | 1250 | 2000 | 3500 | 4500 | 6000 |
螺旋槽直徑(mn) | 220 | 321 | 631 | 631 | 503 |
工作頻率(次/分) | 1500 | 1500 | 1000 | 1000 | 1000 |
功率(kw) | 2×0.1 | 2×0.2 | 2×0.75 | 2×1.5 | 2×1.5 |
供電電壓(伏) | 380 | 380 | 380 | 380 | 380 |
額定電流(安) | 2×0.4 | 2×0.8 | 2×2.2 | 2×4.1 | 2×4.1 |
合成振幅(mm) | -4 | -4 | -4 | -4 | -4 |
新鄉法斯特開創中國振動篩分、輸送、壓榨過濾新紀元
致力于解決篩分、輸送、壓榨、過濾等技術領域難題
24小時咨詢服務熱線:13937345447 孟廣臣 13837347077 郭麗麗
聯系電話:0373-3516365 3516366 3519169 圖文傳真:0373-3519169
網 址:http://www.zthdb.com http://www.zthdb.com.cn
振動篩規模制造商 外貿振動篩代工基地 中國振動篩批發制造中心 壓榨脫水機典范制造企業
垂直提升機、振動篩分機、篩粉機、壓榨機、過濾機、輸送機、給料機一條龍生產廠家
打造行業領導品牌 服務現代工業經濟 ——河南省新鄉市法斯特機械有限公司